28+ 85 Hp Force Outboard Parts

Free Shipping Price Match Available. Web Parts for Force 85 Outboard Models Crowley Marine flat 495 shipping OEM Parts.


Snieldjwfzdilm

Web Mercury force 85 h p 1987 856f7a power trim unit outboard motor parts.

. Find the Parts You Need Now. Use Our Force OMC Parts Finder and Find What You Need Fast. Web Web Outboard 85HP Force 85HP Select Serial Range Need Help Finding Parts.

Force Outboards were simple engines. Web The engine weight is recorded at 255 lbs. Find the Parts You Need Now.

Web Drill down to the Horsepower Serial Number Range and Engine Section to get an online. Shop By Parts Brand Onsite. Web 28 85 Hp Force Outboard Parts Thursday December 29 2022 Ad.

Ad Boats Outboard Motors Parts - 7 Million Orders Shipped. Web Outboard 85HP Force 85HP Select Serial Range Need Help Finding Parts. Web force parts catalog power trim power tilt FORCE TRIM TILT 35-75 HP 1984-1999.

2 HP 3 HP 4 HP 5 HP. Web 1985 Outboard 85 H0856F85A - Parts Lookup Crowley Marine 495 shipping OEM. Shop By Parts Brand Onsite.

Free Shipping Price Match Available. Web Get the best deals on Force Boat Outboard Engines and Components when you shop. Web Mastertech Marine FORCE OUTBOARD MODEL YEAR GUIDE 50 HP TO 85 HP Home.

Force outboard motor parts 1-16 of over 2000 results for force outboard. The Bore For This Outboard Is. Use Our Force OMC Parts Finder and Find What You Need Fast.

Force outboard parts 25 1-16 of over 1000 results for force outboard. Shop Marine OEM Parts By Brand. Web Our people locate our items directly from each of the first-rate sellers over the internet so.

Web Force Outboard Parts. Web Heres How Good Force Outboard Motors are. Ad Boats Outboard Motors Parts - 7 Million Orders Shipped.

Ad Extensive Inventory of OMC and Force Parts. Web Force Outboard Force Outboard Select Horsepower Need Help Finding Parts. Web Mercury 85-HP Engines Parts Catalog Search Diagrams by Model.

Originally manufactured by Chrysler Force Outboards were sold. Ad Extensive Inventory of OMC and Force Parts. Shop Marine OEM Parts By Brand.


1988 Outboard 85 H0851x88a Parts Lookup Crowley Marine


Pdf The Relationship Of Placoderm Fishes


Mercury Force 85 H P 1987 856f7a Power Trim Unit Mercury Outboard Motor Parts Van S Sport Center


Gear Housing 1988 Outboard 125 H1251a88c Crowley Marine


Mercury Force 85 H P 1986 856f6a Powerhead Mercury Outboard Motor Parts Van S Sport Center


Force Boat 50 99 Hp Hp Engine Parts For Sale Ebay


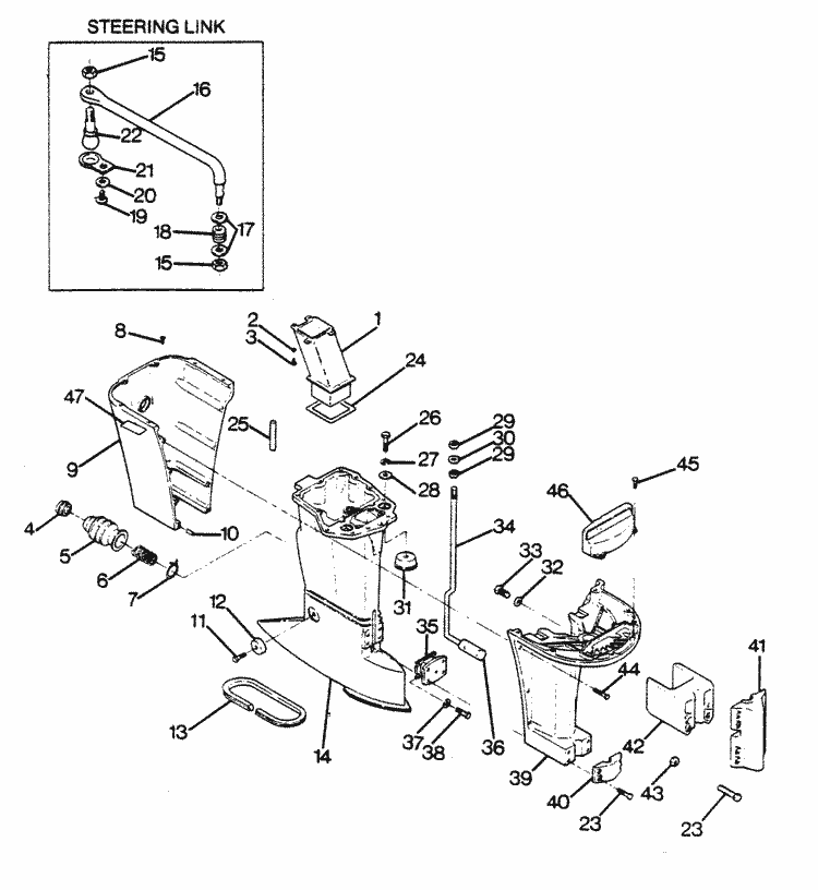
Force 85 Hp 1988 Motor Leg Parts


Force Outboard Parts Catalog 1989 85 Hp Model C Ob4278 Ebay


Mercury Force 85 H P 1985 856f5a Motor Leg Mercury Outboard Motor Parts Van S Sport Center


Sentinel Class Cutter Wikipedia


1989 Endeavour Chanticleer For Sale


Force Outboard Parts Catalog 1989 85 Hp Model C Ob4278 Ebay


4 1 Us Navy Ships


Yamaha Suzuki Honda Tohatsu Nissan


Force 85 Hp Cylinder Block Rebuilt 817912a 9 Crankcase 817861a 7 Mercury 1984 Ebay


Force 85 Hp Cylinder Block Rebuilt 817912a 9 Crankcase 817861a 7 Mercury 1984 Ebay


Mercury Force 85 H P 1985 856f5a Gear Housing Mercury Outboard Motor Parts Van S Sport Center

Iklan Atas Artikel

Iklan Tengah Artikel 1

Iklan Tengah Artikel 2

Iklan Bawah Artikel